五月 09, 2024

Share:

利用集成负偏压来关断栅极驱动在设计电动汽车、不间断电源、工业驱动器和泵等高功率应用时,系统工程师更倾向于选择碳化硅 (SiC) MOSFET,因为与 IGBT 相比,SiC 技术具有更高的效率和功率密度。为了保持整体系统高能效并减少功率损耗,为 SiC MOSFET 搭配合适的 SiC 栅极驱动器可谓至关重要。

本文将阐述系统能效的重要性,并简要说明 SiC 栅极驱动器的选择标准,包括 SiC 功耗、SiC 导通和关断基本原理以及如何减少开关损耗。此外,我们将介绍首款集成负偏压的 3.75 kV 栅极驱动器 NCP(V)51752。


能效提升,毫厘必争

当谈到功率损耗管理时,对于数十千瓦到上兆瓦的高功率应用来说,哪怕是一丝一毫的效率提升都非常重要。例如,若 100 W 应用的能效达到 95%,则需通过散热策略处理的功耗仅有 5 W。对此,可能添加一个散热片或一个风扇就已经足够。但以相同能效运行的 350 kW 应用会产生 17.5 kW 的功耗,这就需要投入大量工程资源和成本来优化散热策略,此外还会对碳足迹产生负面影响。


减少功率损耗

SiC 的总功率损耗本质上是导通损耗与开关损耗的总和。当 SiC MOSFET 完全导通时,SiC 导通损耗主要由 I2R 决定,其中 I 是漏极电流 (ID),R 是 RDSON,即 SiC MOSFET 完全导通时漏极至源极电流路径的电阻。系统工程师可以通过选择 RDSON 较低的 SiC MOSFET、并联配置多个 SiC MOSFET(或同时使用两种方法),将导通损耗降至超低水平。

SiC 开关损耗比较复杂,会受到总栅极电荷 (QG(TOT))、反向恢复电荷 (QRR)、输入电容 (CISS)、栅极电阻 (RG)、EON 损耗和 EOFF 损耗等参数的影响。


总栅极电荷 QG(TOT)

总栅极电荷 QG(TOT) 表示栅极驱动器为完全导通或关断 MOSFET 而注入栅极电极的电荷量,单位为库仑。通常,QG(TOT) 与 RDSON 成反比。因此,当系统工程师选择低 RDSON 的 SiC MOSFET 来降低高功率应用中的导通损耗时,栅极驱动拉电流(导通)和灌电流(关断)的要求会相应增加。

要降低系统设计的开关损耗相当具有挑战性,因为一方面,需要尽快导通和关断以尽可能减少开关损耗;但另一方面,开关速度提高可能会引发不必要的电磁干扰 (EMI),而且预期的关断过程中还可能出现危险的寄生导通意外,尤其是在半桥拓扑中。


导通和关断

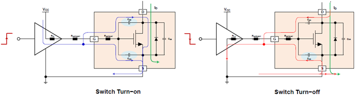
为了操作 MOSFET 并开始导通,须将一个电压施加于栅极端子(相对于源极端子)。使用专用驱动器向功率器件的栅极施加电压并提供驱动电流。栅极驱动器通过拉电流或灌电流来导通或关断功率器件。为此,栅极驱动器需要对功率器件的栅极充电,直至达到导通电压 VGS(ON),或者驱动电路使栅极放电至达到关断电压 VGS(OFF)。为了实现两个栅极电压电平之间的转换,栅极驱动器、栅极电阻和功率器件之间的环路中会产生一些功耗。

栅极驱动器的 MOSFET 驱动导通/关断操作和电流路径
图 1:栅极驱动器的 MOSFET 驱动导通/关断操作和电流路径


如今,低功率和中功率应用的高频转换器主要使用功率 MOSFET。不过,栅极驱动器不仅适用于 MOSFET,还非常适合门道精深的新型宽禁带器件,如 SiC MOSFET 和 GaN(氮化镓)MOSFET。当需要更高的驱动电流快速导通/关断电源开关时,SiC MOSFET 是目前性能表现较佳的器件。


寄生导通

由于 di/dt 非常高,当栅极驱动器达到最小栅源电压时,可能会出现严重的振铃。PCB 布局与封装引起的寄生电容和电感进一步加剧了这种情况,导致关断时产生电感冲击。这些电感冲击可能会无意中使得电压达到 VGS(TH),导致在预期关断期间意外导通,从而引发灾难性后果。这里以半桥应用为例。当低边开关关断,而高边开关即将导通时,若电感冲击导致电压达到 VGS(TH),低边开关便可能会意外导通,从而造成高边和低边开关同时导通,产生击穿电流。这可能会造成高压轨接地直接短路,从而导致 MOSFET 损坏。解决该问题有一个非常有效的方法,就是在关断时将电压摆幅降至 0V 以下(至 -3V 甚至 -5V),从而给出一些余量或裕度,以防意外电感冲击让电压达到 VGS(TH)


开关损耗

图 2 中的图表(来源:AND90204/D)给出了负偏压关断的第二个优点,即减少了 EOFF 开关损耗。图中,x 轴表示从 0V 到 -5V 的负偏压关断电压,y 轴表示开关损耗 (µJ)。事实上,在驱动安森美 (onsemi) 专为高开关频率应用而设计的第二代“M3S”系列 SiC MOSFET 时,通过将关断电压从 0V 降至 -3V,开关损耗最多可减少 100 uJ。EOFF 从 0V 时的 350 µJ 降至 -3V 负偏压关断时的 250 µJ,由此令 EOFF 损耗减少 25%。请记住,每一毫厘进步都意义非凡!


负栅极偏压(来源:AND90204/D)
图 2:负栅极偏压(来源:AND90204/D)


利用集成负偏压来关断栅极驱动

安森美提供多种高电压、高功率隔离式 SiC 栅极驱动器,能够在关断期间支持“外部负偏压”,让系统向栅极驱动器提供 -3V 或 -5V 电压以生成负摆幅。

NCP(V)51752 是一个内置负偏压的新型隔离式 SiC 栅极驱动器系列。由于 NCP(V)51752 内置了负偏压,系统不必向栅极驱动器提供负偏压轨,因而能够节省系统成本。


NCP(V)51752 有以下四种微调选项可供选择。其他选项可视需求提供。

  1. NCP51752CDDR2G:         工业级,欠压锁定:12V,负偏压:-5V
  2. NCP51752DBDR2G:         工业级,欠压锁定:17V,负偏压:-3V
  3. NCV51752CDDR2G:         汽车级,欠压锁定:12V,负偏压:-5V
  4. NCV51752CBDR2G:         汽车级,欠压锁定:12V,负偏压:-3V


结论

NCP(V)51752 是 3.75kV、4.5A/9A 的单通道 SiC 栅极驱动器,支持电气隔离(输入至输出),集成负偏压:

  1. 减轻在预期关断期间意外导通的风险。
  2. 将 EOFF 开关损耗降低 25%。
  3. 节省系统成本。


探索安森美的高性能 SiC MOSFET 栅极驱动器产品组合,并参加 Bob 即将演讲的网络研讨会“理想匹配:与 EliteSiC配套的栅极驱动器”。


其他资源

Featured

NCV51752
汽车用3.75 kVRMS, 4.5-A/9-A 隔离式单通道栅极驱动器,带集成式负偏压控制
NCP51152
3.75 kVRMS, 4.5-A/9-A隔离式单通道栅极驱动器