如需查找框图,首先请选择解决方案分类,并在动态生成的子分类中进一步筛选出您所需的框图。您也可以在本页下方支持帮助栏找到详细使用教程视频,
Expanded View
[{"id":"be30ddc1-91c2-4780-b01b-219003fcff96_IBD_SOLUTION","parentId":"916f3da5-3f52-4350-850d-bc9e19a1f792","text":"汽车","path":"/design/interactive-block-diagrams/automotive","children":[{"id":"5c11e195-63c8-46c7-86f8-1bba41439f84_IBD_SUBSOLUTION","parentId":"be30ddc1-91c2-4780-b01b-219003fcff96_IBD_SOLUTION","text":"ADAS","path":null,"children":[{"id":"9f0d3c48-f0d7-59bb-bfe1-6d6c9a2ba6ad_IBD_DIAGRAM","parentId":"5c11e195-63c8-46c7-86f8-1bba41439f84_IBD_SUBSOLUTION","text":"ADAS计算单元","path":"/design/interactive-block-diagrams/automotive/adas-compute-unit","children":[]},{"id":"148814f6-10ba-54a2-a4e3-e907b8e9b82b_IBD_DIAGRAM","parentId":"5c11e195-63c8-46c7-86f8-1bba41439f84_IBD_SUBSOLUTION","text":"车辆前后激光雷达","path":"/design/interactive-block-diagrams/automotive/automotive-lidar","children":[]},{"id":"f65e29e1-c5d2-5856-b0b4-91578b1c37d4_IBD_DIAGRAM","parentId":"5c11e195-63c8-46c7-86f8-1bba41439f84_IBD_SUBSOLUTION","text":"车辆前后雷达","path":"/design/interactive-block-diagrams/automotive/automotive-radar","children":[]},{"id":"50c0b1ef-cc3f-5e3f-beab-3dc7fc4807df_IBD_DIAGRAM","parentId":"5c11e195-63c8-46c7-86f8-1bba41439f84_IBD_SUBSOLUTION","text":"车辆前后超声波","path":"/design/interactive-block-diagrams/automotive/automotive-ultrasonic","children":[]},{"id":"b5fb612f-c3e5-5d35-ab27-eb8f322f3728_IBD_DIAGRAM","parentId":"5c11e195-63c8-46c7-86f8-1bba41439f84_IBD_SUBSOLUTION","text":"侧面与环饶感应","path":"/design/interactive-block-diagrams/automotive/side-surround-sensing","children":[]},{"id":"dc1f8506-8b86-5500-9faa-37f24480dc40_IBD_DIAGRAM","parentId":"5c11e195-63c8-46c7-86f8-1bba41439f84_IBD_SUBSOLUTION","text":"前视摄像头","path":"/design/interactive-block-diagrams/automotive/front-camera","children":[]},{"id":"ba6575f4-383a-4f1c-980a-34bd5bfcfef0_IBD_DIAGRAM","parentId":"5c11e195-63c8-46c7-86f8-1bba41439f84_IBD_SUBSOLUTION","text":"行车记录仪","path":"/design/interactive-block-diagrams/automotive/dash-camera","children":[]},{"id":"cfe0ced6-f8c9-58e7-b578-b76be36f21b0_IBD_DIAGRAM","parentId":"5c11e195-63c8-46c7-86f8-1bba41439f84_IBD_SUBSOLUTION","text":"车内感应(乘员监控)","path":"/design/interactive-block-diagrams/automotive/in-cabin-camera","children":[]}]},{"id":"6dc38289-2d12-4867-8e22-c819d48eff30_IBD_SUBSOLUTION","parentId":"be30ddc1-91c2-4780-b01b-219003fcff96_IBD_SOLUTION","text":"电动/混动汽车动力总成","path":null,"children":[{"id":"42b6f1ad-2a42-457e-ac12-f110641e7760_IBD_DIAGRAM","parentId":"6dc38289-2d12-4867-8e22-c819d48eff30_IBD_SUBSOLUTION","text":"牵引逆变器","path":"/design/interactive-block-diagrams/automotive/traction-inverter","children":[]},{"id":"990a11b6-ddff-4e22-b709-91e59667acdc_IBD_DIAGRAM","parentId":"6dc38289-2d12-4867-8e22-c819d48eff30_IBD_SUBSOLUTION","text":"OBC带DC/DC转换器","path":"/design/interactive-block-diagrams/automotive/obc-with-dc-dc-converter","children":[]},{"id":"0267ffaa-9395-4bf0-b9ea-9ede6bd5a7f1_IBD_DIAGRAM","parentId":"6dc38289-2d12-4867-8e22-c819d48eff30_IBD_SUBSOLUTION","text":"电池管理系统","path":"/design/interactive-block-diagrams/automotive/battery-management-system","children":[]},{"id":"27b6b5c7-6ad2-4e12-81e1-edf0fc9abacc_IBD_DIAGRAM","parentId":"6dc38289-2d12-4867-8e22-c819d48eff30_IBD_SUBSOLUTION","text":"电动汽车动力域控制器","path":"/design/interactive-block-diagrams/automotive/ev-power-domain-controller","children":[]},{"id":"39b2372d-d4e5-50bd-b00c-5c1ef159007f_IBD_DIAGRAM","parentId":"6dc38289-2d12-4867-8e22-c819d48eff30_IBD_SUBSOLUTION","text":"车载充电机","path":"/design/interactive-block-diagrams/automotive/on-board-charger","children":[{"id":"97404930-4801-5dbd-9499-e740cb99cbb9_IBD_SUBDIAGRAM","parentId":"39b2372d-d4e5-50bd-b00c-5c1ef159007f_IBD_DIAGRAM","text":"车载充电机(400V)","path":"/design/interactive-block-diagrams/automotive/on-board-charger/on-board-charger-400v","children":[]},{"id":"39250da9-f231-50df-8342-6a53a14e9eb6_IBD_SUBDIAGRAM","parentId":"39b2372d-d4e5-50bd-b00c-5c1ef159007f_IBD_DIAGRAM","text":"车载充电机(800V)","path":"/design/interactive-block-diagrams/automotive/on-board-charger/on-board-charger-800v","children":[]}]},{"id":"9dba7b29-f60b-571a-ae90-6a7e035e6991_IBD_DIAGRAM","parentId":"6dc38289-2d12-4867-8e22-c819d48eff30_IBD_SUBSOLUTION","text":"48V-12V DC-DC转换器","path":"/design/interactive-block-diagrams/automotive/dc-dc-converter-48v-12v","children":[]},{"id":"a1234a32-95cf-4184-9067-2e0eedad6d11_IBD_DIAGRAM","parentId":"6dc38289-2d12-4867-8e22-c819d48eff30_IBD_SUBSOLUTION","text":"高压-低压 直流-直流转换器","path":"/design/interactive-block-diagrams/automotive/dc-dc-converter-hv-48v-12v","children":[]}]},{"id":"28e1ba87-464f-4582-a443-919f257171af_IBD_SUBSOLUTION","parentId":"be30ddc1-91c2-4780-b01b-219003fcff96_IBD_SOLUTION","text":"LED照明","path":null,"children":[{"id":"39712314-ea95-5c10-b8db-a580a9c54ac5_IBD_DIAGRAM","parentId":"28e1ba87-464f-4582-a443-919f257171af_IBD_SUBSOLUTION","text":"LED前照灯","path":"/design/interactive-block-diagrams/automotive/front-led-lighting","children":[]},{"id":"87fb6242-f2ba-53ed-9125-ec615df33b17_IBD_DIAGRAM","parentId":"28e1ba87-464f-4582-a443-919f257171af_IBD_SUBSOLUTION","text":"LED尾灯","path":"/design/interactive-block-diagrams/automotive/rear-led-lighting","children":[]},{"id":"a60354d2-3f75-4e63-b7c5-9924391bfdb7_IBD_DIAGRAM","parentId":"28e1ba87-464f-4582-a443-919f257171af_IBD_SUBSOLUTION","text":"车内照明","path":"/design/interactive-block-diagrams/automotive/interior-lighting","children":[]}]},{"id":"132edb10-6856-492a-8eed-3592df3609a5_IBD_SUBSOLUTION","parentId":"be30ddc1-91c2-4780-b01b-219003fcff96_IBD_SOLUTION","text":"区域控制架构","path":null,"children":[{"id":"656777ba-47a0-5746-9382-057914f8d978_IBD_DIAGRAM","parentId":"132edb10-6856-492a-8eed-3592df3609a5_IBD_SUBSOLUTION","text":"区域控制器","path":"/design/interactive-block-diagrams/automotive/zonal-controller","children":[]},{"id":"24236428-e5bc-5acc-8156-dbe95141d9b8_IBD_DIAGRAM","parentId":"132edb10-6856-492a-8eed-3592df3609a5_IBD_SUBSOLUTION","text":"主配电单元 48V","path":"/design/interactive-block-diagrams/automotive/power-distribution-unit-48v","children":[]},{"id":"9b134c51-95ab-582c-b129-0b115285f113_IBD_DIAGRAM","parentId":"132edb10-6856-492a-8eed-3592df3609a5_IBD_SUBSOLUTION","text":"主配电单元 12V","path":"/design/interactive-block-diagrams/automotive/power-distribution-unit-12v","children":[]}]},{"id":"d7b42b8a-70e0-43e9-bf99-8c3a50b19433_IBD_SUBSOLUTION","parentId":"be30ddc1-91c2-4780-b01b-219003fcff96_IBD_SOLUTION","text":"车身电子","path":null,"children":[{"id":"275ca701-7e5b-544a-a879-586ea961e734_IBD_DIAGRAM","parentId":"d7b42b8a-70e0-43e9-bf99-8c3a50b19433_IBD_SUBSOLUTION","text":"车身控制模块","path":"/design/interactive-block-diagrams/automotive/body-control-module","children":[]},{"id":"bf225aa6-f1a8-466d-84de-441d616f55ab_IBD_DIAGRAM","parentId":"d7b42b8a-70e0-43e9-bf99-8c3a50b19433_IBD_SUBSOLUTION","text":"CAN网络分离器和电源扩展器","path":"/design/interactive-block-diagrams/automotive/can-network-splitter","children":[]},{"id":"bd03c3b7-0aaa-5fdd-85b0-a6f264a0c416_IBD_DIAGRAM","parentId":"d7b42b8a-70e0-43e9-bf99-8c3a50b19433_IBD_SUBSOLUTION","text":"车门模块","path":"/design/interactive-block-diagrams/automotive/door-control-module","children":[]},{"id":"652215d6-6f4c-589d-86eb-5c37f3c729d7_IBD_DIAGRAM","parentId":"d7b42b8a-70e0-43e9-bf99-8c3a50b19433_IBD_SUBSOLUTION","text":"雨量和光线传感器","path":"/design/interactive-block-diagrams/automotive/rain-and-light-sensor","children":[]},{"id":"961a6461-4d2e-4fc1-90ff-284a233863e3_IBD_DIAGRAM","parentId":"d7b42b8a-70e0-43e9-bf99-8c3a50b19433_IBD_SUBSOLUTION","text":"遥控无钥匙系统","path":"/design/interactive-block-diagrams/automotive/remote-keyless-system","children":[]}]},{"id":"570e6761-14db-4caa-acfe-5d97a9fd9572_IBD_SUBSOLUTION","parentId":"be30ddc1-91c2-4780-b01b-219003fcff96_IBD_SOLUTION","text":"底盘和安全","path":null,"children":[{"id":"21980558-fc7d-5126-ba06-ad7a03b04dff_IBD_DIAGRAM","parentId":"570e6761-14db-4caa-acfe-5d97a9fd9572_IBD_SUBSOLUTION","text":"防抱死制动系统 (ABS)","path":"/design/interactive-block-diagrams/automotive/anti-lock-braking-system","children":[]},{"id":"3b1308be-e510-5306-ac46-dfd8f8cae961_IBD_DIAGRAM","parentId":"570e6761-14db-4caa-acfe-5d97a9fd9572_IBD_SUBSOLUTION","text":"电动停车制动器","path":"/design/interactive-block-diagrams/automotive/electric-parking-brake","children":[]},{"id":"372f1853-f4ea-5b63-8c8e-07668666e1ed_IBD_DIAGRAM","parentId":"570e6761-14db-4caa-acfe-5d97a9fd9572_IBD_SUBSOLUTION","text":"电动助力转向 (EPS)","path":"/design/interactive-block-diagrams/automotive/electric-power-steering","children":[]},{"id":"70a1399f-062f-5e1f-8415-dd28be19baed_IBD_DIAGRAM","parentId":"570e6761-14db-4caa-acfe-5d97a9fd9572_IBD_SUBSOLUTION","text":"油门控制","path":"/design/interactive-block-diagrams/automotive/throttle-control","children":[]},{"id":"161c0eec-08eb-4912-8072-0b9858287749_IBD_DIAGRAM","parentId":"570e6761-14db-4caa-acfe-5d97a9fd9572_IBD_SUBSOLUTION","text":"线控转向","path":"/design/interactive-block-diagrams/automotive/steer-by-wire","children":[]},{"id":"34bf112e-1b74-520a-b255-f0a6233da422_IBD_DIAGRAM","parentId":"570e6761-14db-4caa-acfe-5d97a9fd9572_IBD_SUBSOLUTION","text":"变速箱控制单元","path":"/design/interactive-block-diagrams/automotive/transmission-control-unit","children":[]},{"id":"9214a133-c83f-40d5-8fad-d645b4bb3f66_IBD_DIAGRAM","parentId":"570e6761-14db-4caa-acfe-5d97a9fd9572_IBD_SUBSOLUTION","text":"轮胎监测系统","path":"/design/interactive-block-diagrams/automotive/tire-monitoring-system","children":[]},{"id":"1078006a-3b72-4b69-9af0-f215e0c80522_IBD_DIAGRAM","parentId":"570e6761-14db-4caa-acfe-5d97a9fd9572_IBD_SUBSOLUTION","text":"主动悬架","path":"/design/interactive-block-diagrams/automotive/active-suspension","children":[]},{"id":"b94ec2f0-8023-4230-bb06-ecb8b75a0808_IBD_DIAGRAM","parentId":"570e6761-14db-4caa-acfe-5d97a9fd9572_IBD_SUBSOLUTION","text":"电子稳定控制系统(ESC)","path":"/design/interactive-block-diagrams/automotive/electronic-stabilization-control-esc","children":[]},{"id":"cf95ee59-77c3-4f76-b7e2-479737822229_IBD_DIAGRAM","parentId":"570e6761-14db-4caa-acfe-5d97a9fd9572_IBD_SUBSOLUTION","text":"EV Auxiliary Systems","path":"/design/interactive-block-diagrams/automotive/ev-auxiliary-systems","children":[]}]},{"id":"fb7c2e6a-4a5a-430f-9c05-f205d9803241_IBD_SUBSOLUTION","parentId":"be30ddc1-91c2-4780-b01b-219003fcff96_IBD_SOLUTION","text":"ICE动力总成","path":null,"children":[{"id":"0dc8f98c-2cdc-5a61-87c9-00ce7dd8f4c4_IBD_DIAGRAM","parentId":"fb7c2e6a-4a5a-430f-9c05-f205d9803241_IBD_SUBSOLUTION","text":"ICE 48V电子涡轮增压器","path":"/design/interactive-block-diagrams/automotive/ice-48v-e-turbocharger","children":[]},{"id":"2a471a6f-313b-5468-87f5-7b85c588acb2_IBD_DIAGRAM","parentId":"fb7c2e6a-4a5a-430f-9c05-f205d9803241_IBD_SUBSOLUTION","text":"内燃式发动机管理","path":"/design/interactive-block-diagrams/automotive/ice-engine-control-unit","children":[]},{"id":"4bd681d4-0a10-568c-a9ec-3e7a2cf374fe_IBD_DIAGRAM","parentId":"fb7c2e6a-4a5a-430f-9c05-f205d9803241_IBD_SUBSOLUTION","text":"48V 启动发电机","path":"/design/interactive-block-diagrams/automotive/mhev-starter-generator","children":[]}]},{"id":"4144801e-6a4c-44c8-8049-28af95d8735e_IBD_SUBSOLUTION","parentId":"be30ddc1-91c2-4780-b01b-219003fcff96_IBD_SOLUTION","text":"信息娱乐系统","path":null,"children":[{"id":"3cafe8fb-1c54-4006-a888-3293e38bc1e3_IBD_DIAGRAM","parentId":"4144801e-6a4c-44c8-8049-28af95d8735e_IBD_SUBSOLUTION","text":"仪表盘","path":"/design/interactive-block-diagrams/automotive/instrument-cluster","children":[]}]},{"id":"4031b97b-d817-457a-aaf0-033716c8261d_IBD_SUBSOLUTION","parentId":"be30ddc1-91c2-4780-b01b-219003fcff96_IBD_SOLUTION","text":"热管理","path":null,"children":[{"id":"e08aa77f-4a13-41d4-a91c-ee23cd16d5aa_IBD_DIAGRAM","parentId":"4031b97b-d817-457a-aaf0-033716c8261d_IBD_SUBSOLUTION","text":"空调控制系统","path":"/design/interactive-block-diagrams/automotive/hvac-controls","children":[]},{"id":"04e60cb5-a684-5426-aae1-2c46a58dc15b_IBD_DIAGRAM","parentId":"4031b97b-d817-457a-aaf0-033716c8261d_IBD_SUBSOLUTION","text":"HVAC PTC加热器","path":"/design/interactive-block-diagrams/automotive/hvac-ptc-heater","children":[]},{"id":"cee5f20a-1756-564d-ae31-ca13e1a11cfb_IBD_DIAGRAM","parentId":"4031b97b-d817-457a-aaf0-033716c8261d_IBD_SUBSOLUTION","text":"HVAC电动压缩机","path":"/design/interactive-block-diagrams/automotive/hvac-e-compressor","children":[]},{"id":"d77ff017-846b-4eeb-a9ee-b74f292e33d4_IBD_DIAGRAM","parentId":"4031b97b-d817-457a-aaf0-033716c8261d_IBD_SUBSOLUTION","text":"汽车泵和风扇","path":"/design/interactive-block-diagrams/automotive/automotive-pump-and-fan","children":[]},{"id":"9551e598-a093-55cf-b100-61a6828d9287_IBD_DIAGRAM","parentId":"4031b97b-d817-457a-aaf0-033716c8261d_IBD_SUBSOLUTION","text":"电动汽车泵和风扇","path":"/design/interactive-block-diagrams/automotive/ev-pump-and-fan","children":[]},{"id":"2c26abb8-5181-5bb0-b664-3238f9c78416_IBD_DIAGRAM","parentId":"4031b97b-d817-457a-aaf0-033716c8261d_IBD_SUBSOLUTION","text":"电动汽车电池加热与冷却","path":"/design/interactive-block-diagrams/automotive/ev-battery-heating-and-cooling","children":[]}]}]},{"id":"595a65c3-53bc-4d2b-998d-f29b04cb96c1_IBD_SOLUTION","parentId":"916f3da5-3f52-4350-850d-bc9e19a1f792","text":"工业","path":"/design/interactive-block-diagrams/industrial","children":[{"id":"232c98aa-1c87-4d4c-86a8-a012a8d4c01e_IBD_SUBSOLUTION","parentId":"595a65c3-53bc-4d2b-998d-f29b04cb96c1_IBD_SOLUTION","text":"工业自动化","path":null,"children":[{"id":"e1af3336-9c4d-414b-8654-5e654677de14_IBD_DIAGRAM","parentId":"232c98aa-1c87-4d4c-86a8-a012a8d4c01e_IBD_SUBSOLUTION","text":"通用控制系统","path":"/design/interactive-block-diagrams/industrial/general-control-system","children":[]},{"id":"1ede4b8e-ec50-473e-9c7c-fbe9fa75eef8_IBD_DIAGRAM","parentId":"232c98aa-1c87-4d4c-86a8-a012a8d4c01e_IBD_SUBSOLUTION","text":"工业 PC、PLC 和 IO","path":"/design/interactive-block-diagrams/industrial/industrial-pc-plc-and-io","children":[]},{"id":"044b62b2-c00e-4513-81eb-36f766359581_IBD_DIAGRAM","parentId":"232c98aa-1c87-4d4c-86a8-a012a8d4c01e_IBD_SUBSOLUTION","text":"ATE测试仪和实验室设备","path":"/design/interactive-block-diagrams/industrial/ate-lab-equipment","children":[]},{"id":"6e861fa3-61ed-471a-af44-1ab13f997998_IBD_DIAGRAM","parentId":"232c98aa-1c87-4d4c-86a8-a012a8d4c01e_IBD_SUBSOLUTION","text":"无人机","path":"/design/interactive-block-diagrams/industrial/drone","children":[]},{"id":"106fa19a-4128-4f5c-a1d6-d474b81a3c62_IBD_DIAGRAM","parentId":"232c98aa-1c87-4d4c-86a8-a012a8d4c01e_IBD_SUBSOLUTION","text":"工业自动化车辆","path":"/design/interactive-block-diagrams/industrial/industrial-automation-vehicle","children":[]},{"id":"0a4f06f5-5e8c-483e-b270-da09c4492a35_IBD_DIAGRAM","parentId":"232c98aa-1c87-4d4c-86a8-a012a8d4c01e_IBD_SUBSOLUTION","text":"协作机器人","path":"/design/interactive-block-diagrams/industrial/cobot","children":[]},{"id":"97fbfb24-52ce-41cd-ac06-9bbea124da75_IBD_DIAGRAM","parentId":"232c98aa-1c87-4d4c-86a8-a012a8d4c01e_IBD_SUBSOLUTION","text":"工厂网络","path":"/design/interactive-block-diagrams/industrial/factory-network","children":[]},{"id":"f2a03783-f346-4593-99f4-0aef0ea5b88b_IBD_DIAGRAM","parentId":"232c98aa-1c87-4d4c-86a8-a012a8d4c01e_IBD_SUBSOLUTION","text":"Industrial Welding","path":"/design/interactive-block-diagrams/industrial/industrial-welding","children":[]},{"id":"30c1b77d-67e5-5106-a3c4-8c8d81f3d496_IBD_DIAGRAM","parentId":"232c98aa-1c87-4d4c-86a8-a012a8d4c01e_IBD_SUBSOLUTION","text":"机器视觉","path":"/design/interactive-block-diagrams/industrial/machine-vision","children":[]},{"id":"7b2690f5-c548-508a-a47c-fec22e9853b8_IBD_DIAGRAM","parentId":"232c98aa-1c87-4d4c-86a8-a012a8d4c01e_IBD_SUBSOLUTION","text":"智能移动机器人","path":"/design/interactive-block-diagrams/industrial/smart-and-mobile-robotics","children":[]},{"id":"e3467e69-26ef-5fa7-bdc5-a1cc62b3de50_IBD_DIAGRAM","parentId":"232c98aa-1c87-4d4c-86a8-a012a8d4c01e_IBD_SUBSOLUTION","text":"单相电机驱动","path":"/design/interactive-block-diagrams/industrial/single-phase-motor-drive","children":[]},{"id":"de5a1036-a499-4a5d-bead-da0cabb0b935_IBD_DIAGRAM","parentId":"232c98aa-1c87-4d4c-86a8-a012a8d4c01e_IBD_SUBSOLUTION","text":"三相电机驱动","path":"/design/interactive-block-diagrams/industrial/three-phase-motor-drive","children":[]}]},{"id":"5d797047-8646-41ee-90f4-1d36c3128dcd_IBD_SUBSOLUTION","parentId":"595a65c3-53bc-4d2b-998d-f29b04cb96c1_IBD_SOLUTION","text":"能源基础设施","path":null,"children":[{"id":"5e156763-10fa-4245-97e8-5eb443f8725a_IBD_DIAGRAM","parentId":"5d797047-8646-41ee-90f4-1d36c3128dcd_IBD_SUBSOLUTION","text":"交流壁挂式充电盒","path":"/design/interactive-block-diagrams/industrial/ac-wallbox","children":[]},{"id":"51ceb23d-0b92-476e-bc92-ad48cc02c16c_IBD_DIAGRAM","parentId":"5d797047-8646-41ee-90f4-1d36c3128dcd_IBD_SUBSOLUTION","text":"电动汽车无线充电","path":"/design/interactive-block-diagrams/industrial/ev-wireless-charger","children":[]},{"id":"f7954e86-51aa-4955-af63-275c75aa281d_IBD_DIAGRAM","parentId":"5d797047-8646-41ee-90f4-1d36c3128dcd_IBD_SUBSOLUTION","text":"固态断路器","path":"/design/interactive-block-diagrams/industrial/solid-state-circuit-breaker","children":[]},{"id":"dcf61746-d942-443a-b3bd-95af261dc6fb_IBD_DIAGRAM","parentId":"5d797047-8646-41ee-90f4-1d36c3128dcd_IBD_SUBSOLUTION","text":"氢电解器","path":"/design/interactive-block-diagrams/industrial/hydrogen-electrolyzer","children":[]},{"id":"513da59c-64c8-425a-aac4-2f77be98ba43_IBD_DIAGRAM","parentId":"5d797047-8646-41ee-90f4-1d36c3128dcd_IBD_SUBSOLUTION","text":"电动车DC充电","path":"/design/interactive-block-diagrams/industrial/dc-ev-charger","children":[]},{"id":"72932e92-2ecd-5cba-8f77-cda6834f2e87_IBD_DIAGRAM","parentId":"5d797047-8646-41ee-90f4-1d36c3128dcd_IBD_SUBSOLUTION","text":"储能系统","path":"/design/interactive-block-diagrams/industrial/energy-storage-system","children":[{"id":"3100cf90-30b4-47f1-9989-0703b658513d_IBD_SUBDIAGRAM","parentId":"72932e92-2ecd-5cba-8f77-cda6834f2e87_IBD_DIAGRAM","text":"直流储能系统","path":"/design/interactive-block-diagrams/industrial/energy-storage-system/energy-storage-system-dc","children":[]},{"id":"b958931f-7966-4d79-8bb6-5cae9dc53094_IBD_SUBDIAGRAM","parentId":"72932e92-2ecd-5cba-8f77-cda6834f2e87_IBD_DIAGRAM","text":"交流储能系统","path":"/design/interactive-block-diagrams/industrial/energy-storage-system/energy-storage-system-ac","children":[]}]},{"id":"b502a183-a9af-5173-95dd-04d05136a919_IBD_DIAGRAM","parentId":"5d797047-8646-41ee-90f4-1d36c3128dcd_IBD_SUBSOLUTION","text":"光伏逆变器","path":"/design/interactive-block-diagrams/industrial/solar-inverter","children":[]},{"id":"9d5dee70-15ac-4afb-b7de-9f5963b93a41_IBD_DIAGRAM","parentId":"5d797047-8646-41ee-90f4-1d36c3128dcd_IBD_SUBSOLUTION","text":"太阳能直流优化器","path":"/design/interactive-block-diagrams/industrial/solar-dc-optimizer","children":[]},{"id":"b2a40e03-2356-4646-99d8-26c6182112c1_IBD_DIAGRAM","parentId":"5d797047-8646-41ee-90f4-1d36c3128dcd_IBD_SUBSOLUTION","text":"太阳能微型逆变器","path":"/design/interactive-block-diagrams/industrial/solar-microinverter","children":[]},{"id":"76507261-6d8d-58b4-8c08-fe868f42cd2c_IBD_DIAGRAM","parentId":"5d797047-8646-41ee-90f4-1d36c3128dcd_IBD_SUBSOLUTION","text":"不间断电源","path":"/design/interactive-block-diagrams/industrial/uninterruptible-power-supply","children":[{"id":"2ec65cfa-dba4-5099-9bc3-c7aebcd710e2_IBD_SUBDIAGRAM","parentId":"76507261-6d8d-58b4-8c08-fe868f42cd2c_IBD_DIAGRAM","text":"在线互动式不间断电源","path":"/design/interactive-block-diagrams/industrial/uninterruptible-power-supply/line-interactive-ups","children":[]},{"id":"1caf06ea-7e8c-5826-8cc2-6e95246788e9_IBD_SUBDIAGRAM","parentId":"76507261-6d8d-58b4-8c08-fe868f42cd2c_IBD_DIAGRAM","text":"离线式不间断电源","path":"/design/interactive-block-diagrams/industrial/uninterruptible-power-supply/offline-ups","children":[]},{"id":"7088c373-b0ba-5d51-a2c7-71202c80eff9_IBD_SUBDIAGRAM","parentId":"76507261-6d8d-58b4-8c08-fe868f42cd2c_IBD_DIAGRAM","text":"在线式不间断电源","path":"/design/interactive-block-diagrams/industrial/uninterruptible-power-supply/online-ups","children":[]}]},{"id":"ccabe4a7-e2ec-5740-a897-45a035b57f16_IBD_DIAGRAM","parentId":"5d797047-8646-41ee-90f4-1d36c3128dcd_IBD_SUBSOLUTION","text":"直流-直流电源","path":"/design/interactive-block-diagrams/industrial/dc-dc-power-supply","children":[]},{"id":"3aa8f5a1-7ee9-448e-9feb-82829e256fdb_IBD_DIAGRAM","parentId":"5d797047-8646-41ee-90f4-1d36c3128dcd_IBD_SUBSOLUTION","text":"开关电源","path":"/design/interactive-block-diagrams/industrial/switched-mode-power-supply","children":[{"id":"df44843c-72d3-5cfa-980d-4fcab45e2823_IBD_SUBDIAGRAM","parentId":"3aa8f5a1-7ee9-448e-9feb-82829e256fdb_IBD_DIAGRAM","text":"开关电源(>200W)","path":"/design/interactive-block-diagrams/industrial/switched-mode-power-supply/smps-200w","children":[]},{"id":"c9b6da80-3d61-52a7-b3db-a9147d3fc473_IBD_SUBDIAGRAM","parentId":"3aa8f5a1-7ee9-448e-9feb-82829e256fdb_IBD_DIAGRAM","text":"开关电源(65 - 200W)","path":"/design/interactive-block-diagrams/industrial/switched-mode-power-supply/smps-65-200w","children":[]},{"id":"71da596d-1c0b-4635-ae90-00d1508dbf82_IBD_SUBDIAGRAM","parentId":"3aa8f5a1-7ee9-448e-9feb-82829e256fdb_IBD_DIAGRAM","text":"开关电源(5 - 65W)","path":"/design/interactive-block-diagrams/industrial/switched-mode-power-supply/smps-5-65w","children":[]}]},{"id":"353bc0a2-1da8-57d6-a759-65cabba958eb_IBD_DIAGRAM","parentId":"5d797047-8646-41ee-90f4-1d36c3128dcd_IBD_SUBSOLUTION","text":"锂电池充电器","path":"/design/interactive-block-diagrams/industrial/li-ion-battery-charger","children":[]}]},{"id":"ac4808e3-627d-44b5-a3df-87fc3f47610f_IBD_SUBSOLUTION","parentId":"595a65c3-53bc-4d2b-998d-f29b04cb96c1_IBD_SOLUTION","text":"智慧楼宇和城市","path":null,"children":[{"id":"3d7ee95e-0859-41d2-b6bc-78cc88004617_IBD_DIAGRAM","parentId":"ac4808e3-627d-44b5-a3df-87fc3f47610f_IBD_SUBSOLUTION","text":"资产追踪器","path":"/design/interactive-block-diagrams/industrial/asset-tracker","children":[]},{"id":"efc3e711-ead6-5d29-bc1e-7df5c81fa2b8_IBD_DIAGRAM","parentId":"ac4808e3-627d-44b5-a3df-87fc3f47610f_IBD_SUBSOLUTION","text":"电池供电电动工具","path":"/design/interactive-block-diagrams/industrial/battery-powered-tools","children":[]},{"id":"51642a6b-6c26-4b46-93cc-d47cd6640e59_IBD_DIAGRAM","parentId":"ac4808e3-627d-44b5-a3df-87fc3f47610f_IBD_SUBSOLUTION","text":"重型电动工具","path":"/design/interactive-block-diagrams/industrial/heavy-duty-power-tool","children":[]},{"id":"29e3cc42-6b14-5af6-a63e-5d9a4ad3aadb_IBD_DIAGRAM","parentId":"ac4808e3-627d-44b5-a3df-87fc3f47610f_IBD_SUBSOLUTION","text":"LED照明","path":"/design/interactive-block-diagrams/industrial/led-lighting","children":[]},{"id":"245d3de5-5e15-4e2f-9786-88a62ec28712_IBD_DIAGRAM","parentId":"ac4808e3-627d-44b5-a3df-87fc3f47610f_IBD_SUBSOLUTION","text":"热泵室外机","path":"/design/interactive-block-diagrams/industrial/heat-pump-outdoor-unit","children":[]},{"id":"7f7061a2-8c3e-4d66-872f-e73b78589050_IBD_DIAGRAM","parentId":"ac4808e3-627d-44b5-a3df-87fc3f47610f_IBD_SUBSOLUTION","text":"热泵室内机","path":"/design/interactive-block-diagrams/industrial/heat-pump-indoor-unit","children":[]},{"id":"f8c5aef9-4334-4d90-8ad9-f66dc4f643b2_IBD_DIAGRAM","parentId":"ac4808e3-627d-44b5-a3df-87fc3f47610f_IBD_SUBSOLUTION","text":"城市电动交通","path":"/design/interactive-block-diagrams/industrial/e-bike-and-e-scooter","children":[]},{"id":"b466d0b4-2879-4491-b439-0e1661c759d2_IBD_DIAGRAM","parentId":"ac4808e3-627d-44b5-a3df-87fc3f47610f_IBD_SUBSOLUTION","text":"电动商用车","path":"/design/interactive-block-diagrams/industrial/electric-commercial-vehicles","children":[]},{"id":"e340cab7-2b71-4b62-9038-af30f9d33c9c_IBD_DIAGRAM","parentId":"ac4808e3-627d-44b5-a3df-87fc3f47610f_IBD_SUBSOLUTION","text":"小型电动车","path":"/design/interactive-block-diagrams/industrial/small-electric-vehicles","children":[{"id":"b04e8321-b3b5-4e44-ba0b-c846f0820401_IBD_SUBDIAGRAM","parentId":"e340cab7-2b71-4b62-9038-af30f9d33c9c_IBD_DIAGRAM","text":"主电机逆变器","path":"/design/interactive-block-diagrams/industrial/small-electric-vehicles/main-motor-inverter","children":[]},{"id":"44c71670-c7ca-4fd3-944b-d8f5e7e3cdd4_IBD_SUBDIAGRAM","parentId":"e340cab7-2b71-4b62-9038-af30f9d33c9c_IBD_DIAGRAM","text":"外部充电器","path":"/design/interactive-block-diagrams/industrial/small-electric-vehicles/external-charger","children":[]}]},{"id":"796b157f-7440-47a1-9d77-b6f6583b189f_IBD_DIAGRAM","parentId":"ac4808e3-627d-44b5-a3df-87fc3f47610f_IBD_SUBSOLUTION","text":"智能锁","path":"/design/interactive-block-diagrams/industrial/smart-lock","children":[]},{"id":"73d28e8a-20b1-454b-8ca2-99bb78e6046a_IBD_DIAGRAM","parentId":"ac4808e3-627d-44b5-a3df-87fc3f47610f_IBD_SUBSOLUTION","text":"智能电表","path":"/design/interactive-block-diagrams/industrial/smart-meter","children":[]},{"id":"b1ae8f65-4698-477e-8cc5-520737530d7e_IBD_DIAGRAM","parentId":"ac4808e3-627d-44b5-a3df-87fc3f47610f_IBD_SUBSOLUTION","text":"条码与生物识别扫描","path":"/design/interactive-block-diagrams/industrial/barcode-biometric-scanning","children":[]},{"id":"57ce95cb-37d7-463a-a26a-6f42b639d382_IBD_DIAGRAM","parentId":"ac4808e3-627d-44b5-a3df-87fc3f47610f_IBD_SUBSOLUTION","text":"视频会议系统","path":"/design/interactive-block-diagrams/industrial/video-conferencing-system","children":[]},{"id":"0a8559e5-6c09-494b-8c45-5378087af949_IBD_DIAGRAM","parentId":"ac4808e3-627d-44b5-a3df-87fc3f47610f_IBD_SUBSOLUTION","text":"eVTOL","path":"/design/interactive-block-diagrams/industrial/evtol","children":[]},{"id":"0dc3a29e-27b1-5eba-8ed0-08937dbc87b4_IBD_DIAGRAM","parentId":"ac4808e3-627d-44b5-a3df-87fc3f47610f_IBD_SUBSOLUTION","text":"安防和监控","path":"/design/interactive-block-diagrams/industrial/security-and-surveillance","children":[]}]}]},{"id":"9cb15800-d401-4ee1-8be6-37ce6d162fa7_IBD_SOLUTION","parentId":"916f3da5-3f52-4350-850d-bc9e19a1f792","text":"电信","path":"/design/interactive-block-diagrams/telecom","children":[{"id":"2a7a547e-c475-46c3-838d-ad483baba521_IBD_SUBSOLUTION","parentId":"9cb15800-d401-4ee1-8be6-37ce6d162fa7_IBD_SOLUTION","text":"基站","path":null,"children":[{"id":"42af7365-cc95-45f1-84b2-3b8356857860_IBD_DIAGRAM","parentId":"2a7a547e-c475-46c3-838d-ad483baba521_IBD_SUBSOLUTION","text":"基站电源","path":"/design/interactive-block-diagrams/telecom/base-station-power-supply","children":[]},{"id":"0086e7a8-869a-4184-a099-f6a708b47d5e_IBD_DIAGRAM","parentId":"2a7a547e-c475-46c3-838d-ad483baba521_IBD_SUBSOLUTION","text":"远程无线电单元","path":"/design/interactive-block-diagrams/telecom/remote-radio-unit","children":[]},{"id":"5c6d4a4c-70e5-48c1-81ca-874760068fb8_IBD_DIAGRAM","parentId":"2a7a547e-c475-46c3-838d-ad483baba521_IBD_SUBSOLUTION","text":"基带单元","path":"/design/interactive-block-diagrams/telecom/base-band-unit","children":[]}]}]},{"id":"1b69edd1-b3b1-49e4-beb3-52ac41d4d80c_IBD_SOLUTION","parentId":"916f3da5-3f52-4350-850d-bc9e19a1f792","text":"计算","path":"/design/interactive-block-diagrams/computing","children":[{"id":"6c03ce86-648a-4ed1-bbfa-2be5dbef3f55_IBD_SUBSOLUTION","parentId":"1b69edd1-b3b1-49e4-beb3-52ac41d4d80c_IBD_SOLUTION","text":"计算机","path":null,"children":[{"id":"0a714a1e-de7e-4bee-83d5-c1f3c38e7832_IBD_DIAGRAM","parentId":"6c03ce86-648a-4ed1-bbfa-2be5dbef3f55_IBD_SUBSOLUTION","text":"台式机","path":"/design/interactive-block-diagrams/computing/desktop","children":[]}]},{"id":"41faaa82-bd84-4e5a-9c20-d2a52febcf17_IBD_SUBSOLUTION","parentId":"1b69edd1-b3b1-49e4-beb3-52ac41d4d80c_IBD_SOLUTION","text":"数据中心","path":null,"children":[{"id":"07006184-e12f-4fc3-98c2-0a10b6bdb7dc_IBD_DIAGRAM","parentId":"41faaa82-bd84-4e5a-9c20-d2a52febcf17_IBD_SUBSOLUTION","text":"AI加速服务器","path":"/design/interactive-block-diagrams/computing/ai-accelerated-server","children":[]},{"id":"b3f265c2-5e05-4719-9ce0-d1071bc4c6eb_IBD_DIAGRAM","parentId":"41faaa82-bd84-4e5a-9c20-d2a52febcf17_IBD_SUBSOLUTION","text":"服务器机架","path":"/design/interactive-block-diagrams/computing/server-rack","children":[{"id":"3fafe0cb-64c8-4590-87b1-3639cc9f4d4e_IBD_SUBDIAGRAM","parentId":"b3f265c2-5e05-4719-9ce0-d1071bc4c6eb_IBD_DIAGRAM","text":"服务器电源","path":"/design/interactive-block-diagrams/computing/server-rack/server-psu","children":[]},{"id":"333ef614-7270-4bba-b9af-bedc3a8fc88b_IBD_SUBDIAGRAM","parentId":"b3f265c2-5e05-4719-9ce0-d1071bc4c6eb_IBD_DIAGRAM","text":"服务器主板\n\n\n","path":"/design/interactive-block-diagrams/computing/server-rack/server-motherboard","children":[]}]},{"id":"b0a881ac-aa5d-4ad0-b6d0-c7baa47b1967_IBD_DIAGRAM","parentId":"41faaa82-bd84-4e5a-9c20-d2a52febcf17_IBD_SUBSOLUTION","text":"AI数据中心","path":"/design/interactive-block-diagrams/computing/ai-data-center","children":[]}]}]},{"id":"873eba36-5810-4201-b40f-49e775f3b450_IBD_SOLUTION","parentId":"916f3da5-3f52-4350-850d-bc9e19a1f792","text":"消费电子","path":"/design/interactive-block-diagrams/consumer","children":[{"id":"bc61eca1-fb8f-4d8f-ba3a-0cd57cbf51aa_IBD_SUBSOLUTION","parentId":"873eba36-5810-4201-b40f-49e775f3b450_IBD_SOLUTION","text":"家电","path":null,"children":[{"id":"7d762e83-bd55-59ae-8cc2-2eb55c485306_IBD_DIAGRAM","parentId":"bc61eca1-fb8f-4d8f-ba3a-0cd57cbf51aa_IBD_SUBSOLUTION","text":"暖通空调与控制","path":"/design/interactive-block-diagrams/consumer/consumer-hvac","children":[]}]},{"id":"b452917c-ffe0-4d52-8cbf-13117afd502a_IBD_SUBSOLUTION","parentId":"873eba36-5810-4201-b40f-49e775f3b450_IBD_SOLUTION","text":"AR/VR头戴设备","path":null,"children":[{"id":"9be26012-fba4-48e2-af35-065fbec05f7d_IBD_DIAGRAM","parentId":"b452917c-ffe0-4d52-8cbf-13117afd502a_IBD_SUBSOLUTION","text":"AR和VR头戴设备","path":"/design/interactive-block-diagrams/consumer/ar-and-vr-headset","children":[]},{"id":"1476432b-40fc-4eea-9244-06ec9aac93a4_IBD_DIAGRAM","parentId":"b452917c-ffe0-4d52-8cbf-13117afd502a_IBD_SUBSOLUTION","text":"AR和VR控制器","path":"/design/interactive-block-diagrams/consumer/ar-and-vr-controller","children":[]}]},{"id":"358c5e78-e160-4fe5-a873-dcf1ae26676c_IBD_SUBSOLUTION","parentId":"873eba36-5810-4201-b40f-49e775f3b450_IBD_SOLUTION","text":"娱乐","path":null,"children":[{"id":"a3f41c6f-ce8e-5ff1-a485-04f6b19b5197_IBD_DIAGRAM","parentId":"358c5e78-e160-4fe5-a873-dcf1ae26676c_IBD_SUBSOLUTION","text":"液晶电视电源","path":"/design/interactive-block-diagrams/consumer/lcd-tv-power-supply","children":[]}]},{"id":"de1af950-645f-4049-a9a4-58825293803a_IBD_SUBSOLUTION","parentId":"873eba36-5810-4201-b40f-49e775f3b450_IBD_SOLUTION","text":"便携式设备","path":null,"children":[{"id":"46b86326-714d-4130-832c-29284bd5b5d3_IBD_DIAGRAM","parentId":"de1af950-645f-4049-a9a4-58825293803a_IBD_SUBSOLUTION","text":"便携式摄像机","path":"/design/interactive-block-diagrams/consumer/portable-camera","children":[]}]},{"id":"3b75a898-5dee-4729-95d7-26e1aa15021e_IBD_SUBSOLUTION","parentId":"873eba36-5810-4201-b40f-49e775f3b450_IBD_SOLUTION","text":"USB与无线充电","path":null,"children":[{"id":"c96731ea-a25d-5f1d-8c12-a1200442daaa_IBD_DIAGRAM","parentId":"3b75a898-5dee-4729-95d7-26e1aa15021e_IBD_SUBSOLUTION","text":"USB-C电池充电器","path":"/design/interactive-block-diagrams/consumer/usb-c-battery-charger","children":[{"id":"f7d009c3-2705-54a7-9778-1e1100c8bbb0_IBD_SUBDIAGRAM","parentId":"c96731ea-a25d-5f1d-8c12-a1200442daaa_IBD_DIAGRAM","text":"USB-C电池充电器(直流输入)","path":"/design/interactive-block-diagrams/consumer/usb-c-battery-charger/usb-c-battery-charger-dc-input","children":[]},{"id":"3322a8bf-88a3-5035-8d63-75b536560ed0_IBD_SUBDIAGRAM","parentId":"c96731ea-a25d-5f1d-8c12-a1200442daaa_IBD_DIAGRAM","text":"USB-C电池充电器(交流输入)","path":"/design/interactive-block-diagrams/consumer/usb-c-battery-charger/usb-c-battery-charger-ac-input","children":[]}]}]}]},{"id":"9d330931-7485-49dd-ae21-990ea4e17af9_IBD_SOLUTION","parentId":"916f3da5-3f52-4350-850d-bc9e19a1f792","text":"医疗","path":"/design/interactive-block-diagrams/medical","children":[{"id":"5c23e744-b034-4c49-8301-946605fe3ea3_IBD_SUBSOLUTION","parentId":"9d330931-7485-49dd-ae21-990ea4e17af9_IBD_SOLUTION","text":"消费医疗","path":null,"children":[{"id":"44b1b370-bc56-4315-b4c4-e3b92d63e14b_IBD_DIAGRAM","parentId":"5c23e744-b034-4c49-8301-946605fe3ea3_IBD_SUBSOLUTION","text":"个人健康与保健监测器","path":"/design/interactive-block-diagrams/medical/fitness-and-activity-tracker","children":[]},{"id":"ea7af679-13bd-4c2b-9af9-f744baee9916_IBD_DIAGRAM","parentId":"5c23e744-b034-4c49-8301-946605fe3ea3_IBD_SUBSOLUTION","text":"脉搏血氧仪","path":"/design/interactive-block-diagrams/medical/pulse-oximeter","children":[]}]},{"id":"232a1fe1-c60b-4a4f-853e-7b73a7209c91_IBD_SUBSOLUTION","parentId":"9d330931-7485-49dd-ae21-990ea4e17af9_IBD_SOLUTION","text":"临床诊断与治疗","path":null,"children":[{"id":"3b2605a6-92e0-47c7-9d00-36d0f68dfaad_IBD_DIAGRAM","parentId":"232a1fe1-c60b-4a4f-853e-7b73a7209c91_IBD_SUBSOLUTION","text":"自动体外除颤器","path":"/design/interactive-block-diagrams/medical/automated-external-defibrillator","children":[]},{"id":"8c3bfd5f-683a-40b7-a0ce-612b457dc394_IBD_DIAGRAM","parentId":"232a1fe1-c60b-4a4f-853e-7b73a7209c91_IBD_SUBSOLUTION","text":"血压计","path":"/design/interactive-block-diagrams/medical/blood-pressure-monitor","children":[]},{"id":"13f20f92-956a-5e5c-95c2-e76d6642b6b5_IBD_DIAGRAM","parentId":"232a1fe1-c60b-4a4f-853e-7b73a7209c91_IBD_SUBSOLUTION","text":"连续式葡萄糖监测仪","path":"/design/interactive-block-diagrams/medical/continuous-glucose-monitor","children":[]},{"id":"f6130e35-4fd0-4719-acac-e3da45c1a9a6_IBD_DIAGRAM","parentId":"232a1fe1-c60b-4a4f-853e-7b73a7209c91_IBD_SUBSOLUTION","text":"助听器","path":"/design/interactive-block-diagrams/medical/hearing-aid","children":[]},{"id":"a3e4f792-c0dc-4153-bb76-59bbe623ed64_IBD_DIAGRAM","parentId":"232a1fe1-c60b-4a4f-853e-7b73a7209c91_IBD_SUBSOLUTION","text":"病人监护仪","path":"/design/interactive-block-diagrams/medical/patient-monitor","children":[]},{"id":"fa0c8829-c8b8-426a-8624-fb6406550d0b_IBD_DIAGRAM","parentId":"232a1fe1-c60b-4a4f-853e-7b73a7209c91_IBD_SUBSOLUTION","text":"超声波换能器","path":"/design/interactive-block-diagrams/medical/ultrasound-transducer","children":[]}]},{"id":"d17e7410-a519-48f1-887a-1644e3a10c78_IBD_SUBSOLUTION","parentId":"9d330931-7485-49dd-ae21-990ea4e17af9_IBD_SOLUTION","text":"医学影像","path":null,"children":[{"id":"7780a3f3-3fe2-4f1c-a8f4-f873ed853c45_IBD_DIAGRAM","parentId":"d17e7410-a519-48f1-887a-1644e3a10c78_IBD_SUBSOLUTION","text":"数字放射成像","path":"/design/interactive-block-diagrams/medical/digital-radiography","children":[]}]}]}]

ATE测试仪和实验室设备 - 框图

ATE测试仪和实验室设备

Connectivity - Block

产品

  • USB Type-C
    • FUSB15200

      Dual Port USB Type-C & PD Controller for Sink and DRP Applications

    • FUSB303BTMX

      Autonomous USB Type-C Port Controller with I<sup>2</sup>C and GPIO Control

    • FUSB303BTMX

      Autonomous USB Type-C Port Controller with I<sup>2</sup>C and GPIO Control

  • 以太网控制器
    • NCN26000

      10BASE-T1S Ethernet PHY with MII interface

    • NCN26010

      Ethernet Controller, 10 Mb/s, Single-Pair, MAC + PHY, 802.3cg, 10BASE−T1S Compliant

  • 低功耗蓝牙
    • RSL15

      蓝牙5.2安全无线MCU

    • RSL10

      无线电SoC,Bluetooth® 5.2认证

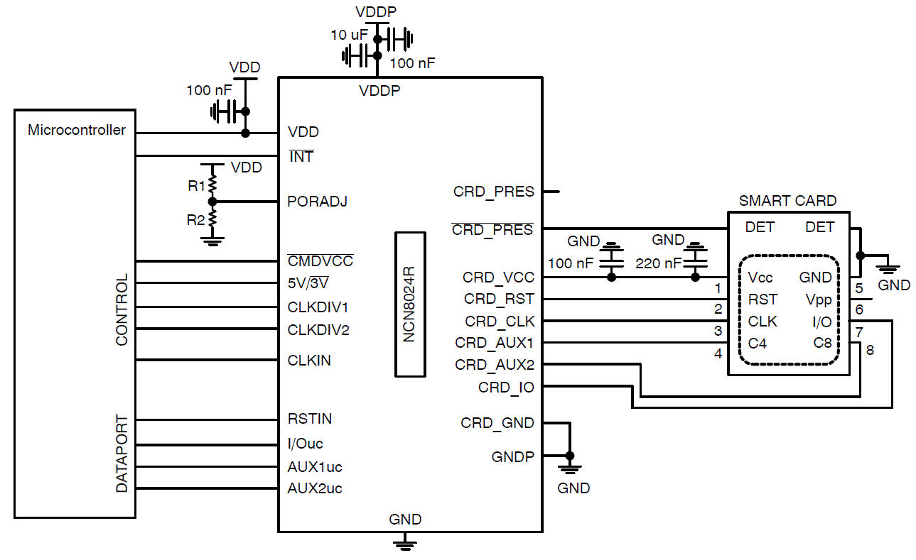
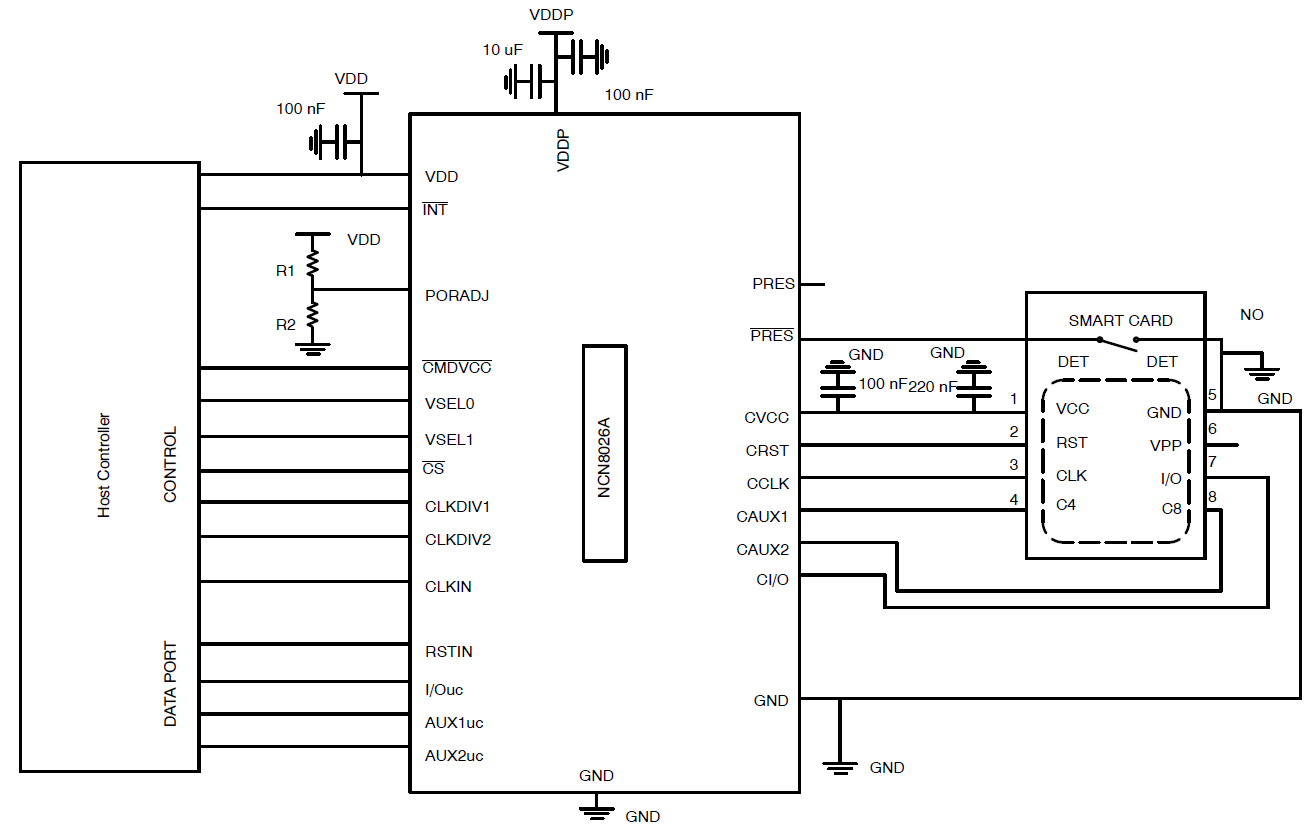
  • 智能卡和SIM卡接口
  • 有线收发器和调制解调器
    • NCV7343

      CAN FD Transceiver, Low Power, with INH, WAKE and Error Detection

    • NCV7357

      CAN FD 收发器,高速

    • NCV7450

      具有 CAN FD、LDO 稳压器和 HS 驱动器的系统基础芯片

技术文档

评估板/套件

工作表预览

工作表

已选中产品数量:

支持帮助

查看产品信息、知识数据库和常见问题解答(FAQ),快速找到解决方案。

支持服务

多种联系方式,确保您以最便捷的方式获得支持。

销售团队

在销售团队的辅助和支持下,挑选产品或服务,满足您个性化的需求。

论坛社区

安森美的用户、工程师们一起讨论设计想法、技术和方案。

视频教程

不知道如何使用交互式框图工具?观看我们的视频教程快速上手。